Aparelhos de Corte e Proteção

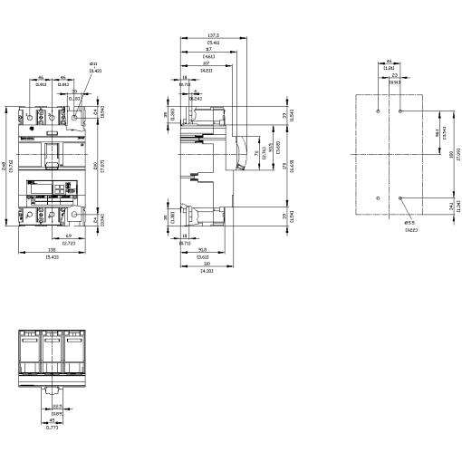
Circuit breaker 3VA6 UL frame 400 breaking capacity class C 100kA 480V 3

Ref Fabricante: 3VA63407KL310AA0
Ref Nortécnica:
EAN: 4042948859483
Descrição

Circuit breaker 3VA6 UL frame 400 breaking capacity class C 100kA 480V 3

Informações Técnicas
Atributos
Número de contatos auxiliares como contato normalmente aberto
0
Número de contatos auxiliares como contato normalmente fechado
0
Corrente permanente nominal Iu
400
Com passagem de subtensão integrada
Não
Número de polos
3
Configuração de corrente da proteção contra sobrecargas
150
Número de contatos auxiliares como contato de comutação
0
Intervalo de tensões especificadas
690
Grau de proteção IP
IP40
Posição de conexão do circuito de corrente principal
-
Acionamento do motor integrado
Não
Tipo de conexão elétrica do circuito principal
-
Tipo de elemento de controlo
Alavanca basculante
Relé de sinalização de gatilho disponível
Não
Corrente nominal de comutação de curto-circuito Icu a 400 V, 50 Hz
110
Intervalo de configuração do atraso de rearme após curto-circuíto
-
Faixa de ajuste da disparo em curto-circuito não retardada
600
Adequado para montagem em calha DIN calha superior
Não
Proteção integrada de falta à terra
Não
Acionamento do motor opcional
Sim
Construção do dispositivo
Técnica de instalação fixa para dispositivo embutido
Montagem em calha DIN calha superior opcional
Não
Dispositivo completo com unidade de proteção
Sim
Marcas
Siemens AG
Ficha Técnica